Vít gỗ - Vít thạch cao - vít có cánh
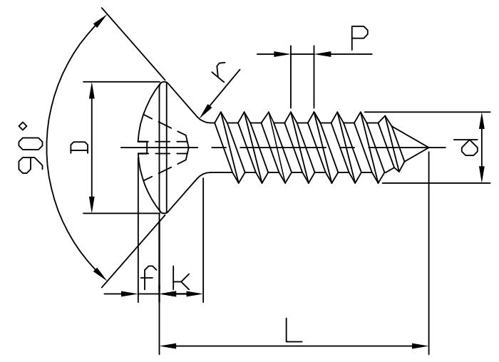
Vít gỗ đầu MO
Giá liên hệ
- Thép, Inox, đồng thau,...
- 4.6, 6.8
- Mạ kẽm Cr3+, Cr6+ (màu sáng hoặc bảy màu)
- JIS B 1122 : 1996,
HOTLINE HỖ TRỢ
0889.095.888
JIS B 1122 : 1996



















